首页 > 通知公告

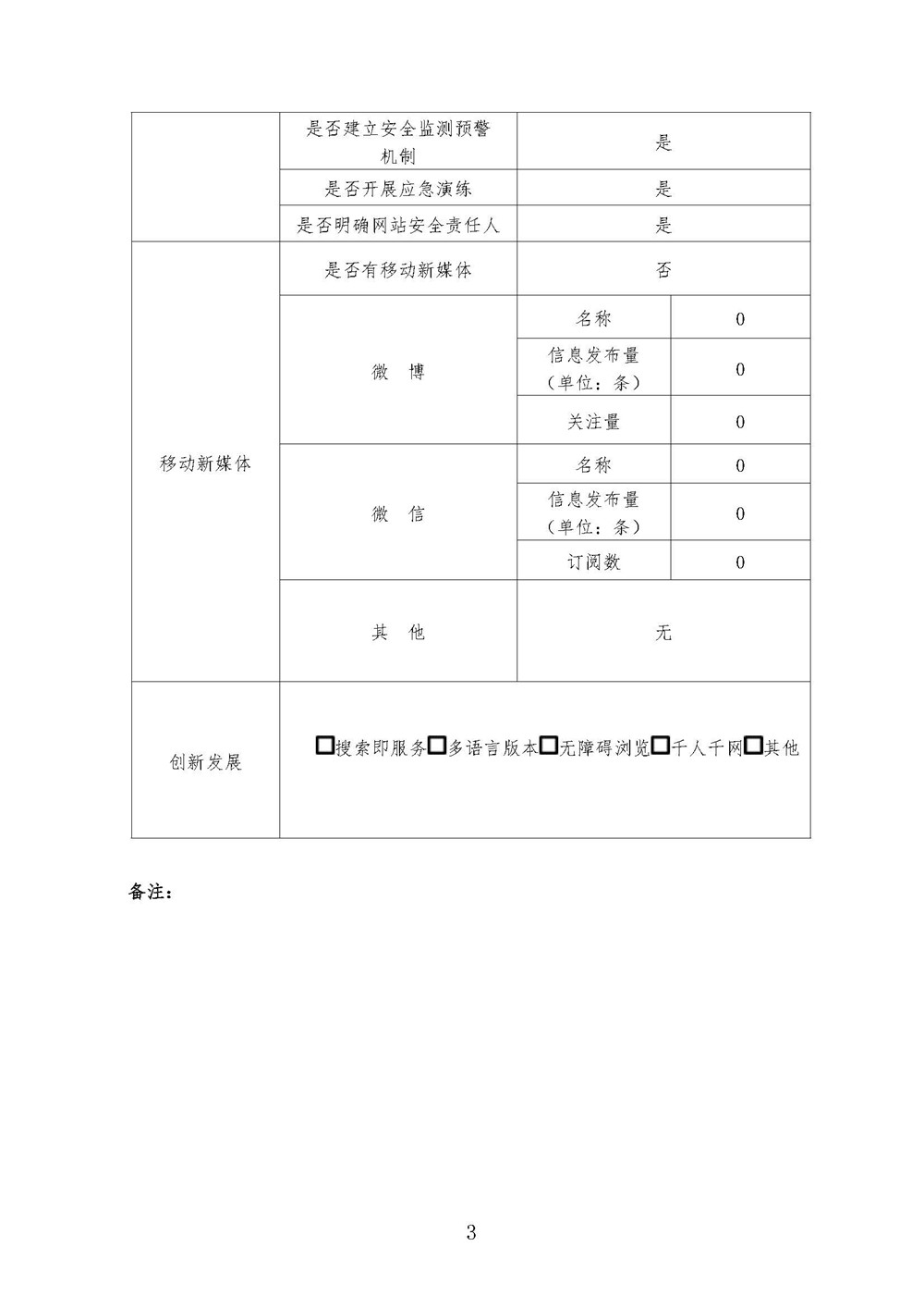
连云港市公共资源交易中心政府网站工作年度报表

【信息发布时间:2022-01-25 14:57  阅读次数:】 【我要打印】 【关闭】











附件: